
|
一、概述 |
|
氣體式試驗變壓器是根據《試驗變壓器》標準,在油浸式試驗變壓器的基礎上而設計生產的。SF6氣體具有良好的電氣絕緣性能及優異的滅弧性能,其耐壓強度為同一壓力下氮氣的2.5倍,擊穿電壓的空氣的2.5倍。在0.25MPa下與油的擊穿電壓相等,在0.45MPa壓力下是油的擊穿電壓的2倍,是一種優于油的新一代超高壓絕緣介質材料。該產品技術要求完全符合《ZBK-41006-89》標準,它是油浸式輕型試驗變壓器的換代產品。該產品具有體積小、重量輕、不受氣候變化影響、電暈小、現場搬運無需靜止可使用,使用壽命長、免維修等特點。適用于電力系統、工礦企業、科研部門等對各種高壓電氣設備、電氣元件、絕緣材料進行工頻或直流高壓下的絕緣強度試驗。 |
|
二、產品結構 |
|
氣體式試驗變壓器采用單框芯式鐵芯結構,初級繞組繞在鐵芯上,高壓繞組在外,這種同軸布置減少了漏磁通,因而增大了繞組間的耦合。產品的外殼為圓柱灌式容器結構,能耐受0.8MPa以上壓力。其結構見下圖:
1-外殼 2-低壓儀表端子 3-套管法蘭 4-高壓硅堆 5-短路桿D 6-高壓輸出A 7-均壓球 8-高壓套管 9-閥門及壓力表 10-封頭 11-低壓繞組 12-高壓繞組 13-鐵芯夾件 |
|
三、工作原理 |
|
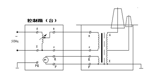
氣體式試驗變壓器為單相變壓器,聯結組號Ⅰ.Ⅰ.采用工頻220V或380V控制箱(臺),經自耦調壓器,0~200V或0~400V輸出至變壓器低壓繞組(輸入端),根據電磁感應原理,在試驗變壓器高壓繞組可獲得試驗所需的高壓電壓。 1. 交流氣體式試驗變壓器:見圖3
圖3:交流氣體式試驗變壓器接線 2. 交流帶抽頭氣體式試驗變壓器:見圖4
圖4:交流氣體式試驗變壓器接線 3. 交直流氣體式試驗變壓器:如圖5 圖中高壓套管中裝有高壓硅堆,串接在高壓回路中作半波整流,以獲得直流高電壓。當用一短路桿將高壓硅堆短接時,可獲得工頻高電壓,作為交流輸出狀態;取消短路桿時,作為直流輸出狀態。
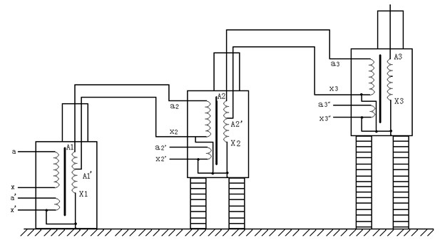
圖4:交直流氣體式試驗變壓器接線 圖中:D – 短路桿 VD – 高壓硅堆 4. 串級氣體式試驗變壓器接線及原理:如圖5 串級氣體式試驗變壓器有很大的優越性,三臺試驗變壓器串級連接可獲得更高的電壓,因為整個試驗裝置由幾臺單臺試驗變壓器組成,單臺試驗變壓器容量小、電壓低、重量輕,便于運輸和安裝。它既然可串接成高出幾倍的單臺試驗變壓器輸出電壓組合使用,又可分開成幾套單臺試驗變壓器單獨使用。整套裝置投資小,經濟實惠。圖5中,在第一級和第二級的每個單元試驗變壓器中都有一個勵磁繞組A1、C1和A2、C2。在串級試驗變器基本原理圖中,低壓電源加在試驗變壓器I的初級繞組a1x1上,單臺試驗變壓Ⅰ、Ⅱ、Ⅲ的輸出電壓都是V。勵磁繞組A1、C1給第二級試驗變壓器Ⅱ的初級繞組供電;第二級試驗變壓器Ⅱ的勵磁繞組A2、C2給第三級試驗變壓器Ⅲ的初級繞組供電。第二級試驗變壓器Ⅱ和第三級試驗變壓器Ⅲ的箱體分別處在對地為1V和2V的高電位上,所以箱體對地是絕緣的,試驗變壓器I的箱體是接地的。這樣第一級、第二級、第三試驗變壓器對地的額定輸出電壓分別為1V、2V、3V;其額定容量分別為3P、2P、1P。
圖5 |
百度“創億電氣”,輕松找到我們
武漢創億電氣設備有限公司
銷售熱線:027-65606042 售后服務:027-65611317
公司傳真:027-65606249 E-mail:whcydq@163.com
24小時服務熱線:13638682503
地址:江漢區新華下路新華家園二區
工信部備案號:鄂ICP備:11014546號